Winkelköpfe G03-4.4-2B2P
Artikelnummer: 030649
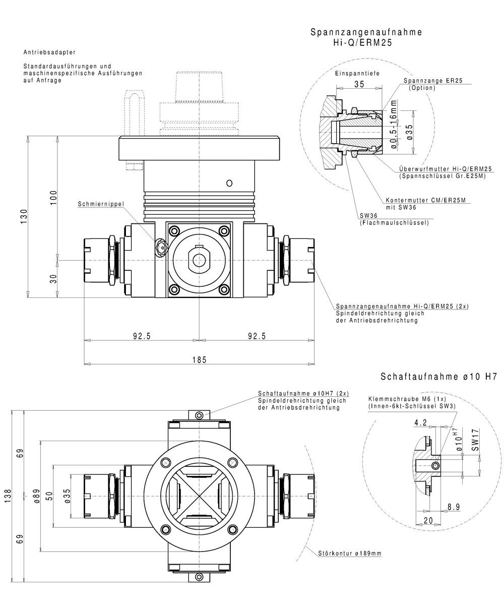
Die Winkelköpfe der Baureihe G03 verfügen über bis zu vier Bearbeitungsspindeln. Die Spindeldrehrichtung aller Werkzeugaufnahmen ist immer gleich der Antriebsdrehrichtung. Die Antriebsdrehzahl wird im Verhältnis von 1:1,55 auf die Werkzeugaufnahmen übertragen. Es ist eine maximale Spindeldrehzahl von 18.000 1/min im Intervallbetrieb möglich.
Diverse Varianten auf Anfrage!
Tabs
Individualisierung
Gerne individualisieren wir unsere Produkte für Ihre speziellen Herausforderungen: Erfahren Sie mehr










